Tài liệu kỹ thuật
CẤU TẠO VÀ ĐẶC ĐIỂM VÒNG BI TIẾP XÚC 4 ĐIỂM SKF EXPLORER
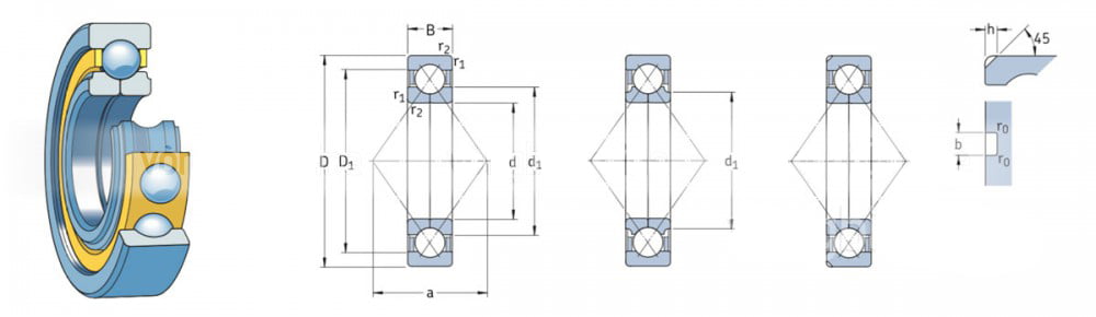
Vòng bi tiếp xúc góc 4 điểm SKF có cấu tạo nhiều lớp phức tạp cùng với đó các bộ phận cũng dùng những chất liệu khác biệt với đa số vòng bi thông thường. Vòng bi này kế thừa cấu tạo của loại vòng bi đỡ chặn với vòng trong hai nửa, có góc tiếp xúc từ 35 độ đến 45 độ nên có thể dễ dàng hoạt động ở tốc độ cao.
Mục Lục
- 1 Vòng bi tiếp xúc bốn điểm SKF Explorer và các ứng dụng phổ biến
- 2 Đặc điểm của Vòng bi tiếp xúc bốn điểm SKF Explorer
- 3 Vòng bi tiếp xúc bốn điểm SKF Explorer và lợi ích cho người sử dụng
- 4 Thiết kế mới của vòng trong của Vòng bi tiếp xúc bốn điểm SKF Explorer
- 4.1 Thiết kế mới của vòng cách đồng thau
- 4.2 Cải tiến tại khu vực tiếp giáp rãnh lăn và vai rãnh lăn của Vòng bi tiếp xúc bốn điểm SKF Explorer
- 4.3 Quy trình nhiệt luyện độc đáo của Vòng bi tiếp xúc bốn điểm SKF Explorer
- 4.4 Nâng cấp chính xác làm việc
Vòng bi tiếp xúc bốn điểm SKF Explorer và các ứng dụng phổ biến

Máy nén khí
• Bộ truyền động công nghiệp
• Hệ thống truyền động trong đầu máy xe hoả
• Hệ thống truyền động ôtô
Đặc điểm của Vòng bi tiếp xúc bốn điểm SKF Explorer
• Vòng cách đồng thau cải tiến
• Cấp chính xác kích thước và làm việc P6
• Độ cứng vững cao
• Chế tạo bằng thép có độ tinh khiết cực cao
• Quy trình nhiệt luyện độc đáo
• Thiết kế góc lượn vai-rãnh lăn độc đáo
• Vòng cách PEEK tính năng cao
• Thiết kế vòng trong độc đáo
Vòng bi tiếp xúc bốn điểm SKF Explorer và lợi ích cho người sử dụng
• Tuổi thọ vòng bi tăng
• Chịu tải trọng dọc trục cao hơn
• Sử dụng chất bôi trơn ít hơn
• Độ ồn và độ rung động thấp hơn
• Vòng bi ít sinh nhiệt hơn

Nhiều đặc điểm về thiết kế đã được tối ưu hoá để vòng bi tiếp xúc bốn điểm SKF Explorer có độ tin cậy, tuổi thọ làm việc cao hơn, có độ sinh nhiệt cũng như độ ồn và độ rung động thấp hơn. Sử dụng thép có độtinh khiết cực cao và quy trình nhiệt luyện độc đáo của SKF, vòng bi tiếp xúc bốn điểm SKF có độ bền, độ cứng vững và khả năng chịu mài mòn đáng kể.
Vai rãnh lăn trên vòng trong được gia công có lõm giúp tăng khả năng bôi trơn cho vòng bi đồng thời góc lượn ở khu vực tiếp giáp vai rãnh lăn được thiết kế mới giúp tăng khả năng chịu tải trọng dọc trục của vòng bi.Vòng bi tiếp xúc bốn điểm SKF Explorer, được chế tạo có cấp chính xáckích thước và cấp chính xác làm việc P6 với góc tiếp xúc 350.
Thiết kế mới của vòng trong của Vòng bi tiếp xúc bốn điểm SKF Explorer
Vòng bi tiếp xúc bốn điểm SKF Explorer có vòng trong được thiết kế mới với một lõm trên vai vòng trong. Thiết kế này giúp tăng lượng dầu bôi trơn đưa vào vòng bi và tối ưu hoá mức ứng lực trên tiết diện vòng trong, do đó sinh nhiệt ít hơn và vòng bi ít bị ăn mòn gỉ sét hơn. Thiết kế cải tiến cũng giúp giảm độ biến dạng của vòng trong có thể ảnh hưởng đến góc tiếp xúc và khe hở trong của vòng bi.
Thiết kế mới của vòng cách đồng thau
Thiết kế mới của vòng cách đồng thau giúp giảm nhiệt, độ ồn và độ rung động do vòng bi gây ra. Thiết kế mới cũng giúp tăng hiệu quả của chất bôi trơn. Các thiết kế mới này đóng góp vào việc tăng tuổi thọ làm việc của vòng bi. Vòng cách đồng thau với thiết kế mới nhẹ hơn giúp giảm lực quán tính đồng thời cải thiện mối tiếp xúc giữa viên bi và vòng cách, cải thiện chế độ bôi trơn cũng như cấp chính xác làm việc đồng thời giảm lực làm vòng bi mất cân bằng. Một tùy chọn là vòng cách PEEK, kết hợp tính gọn nhẹ với các đặc điểm và khả năng chịu lực của vòng cách bằng đồng.
Cải tiến tại khu vực tiếp giáp rãnh lăn và vai rãnh lăn của Vòng bi tiếp xúc bốn điểm SKF Explorer
Góc lượn ở vai rãnh lăn được mài để làm giảm ứng lực ở khu vực tiếp xúc giữa viên bi- vai rãnh lăn, cho vòng bi tiếp xúc bốn điểm SKF Explorer có khả năng chịu tải trọng dọc trục cao hơn. Thiết kế độc đáo này cũng cho vòng bi có tuổi thọ làm việc và có hệ số an toàn cao hơn.
Quy trình nhiệt luyện độc đáo của Vòng bi tiếp xúc bốn điểm SKF Explorer
Sử dụng thép có độ tinh khiết rất cao và quy trình nhiệt luyện độc đáo, vòng bi tiếp xúc bốn điểm SKF Explorer có độ cứng tối hảo, có khả năng chịu mài mòn tối đa và có độ ổn định kích thước ở nhiệt độ lên đến 150 độ C để cho tuổi thọ làm việc cao hơn. Ngoài ra, còn tăng được hệ số an toàn và thời gian làm việc của thiết bị
Nâng cấp chính xác làm việc
SKF đã nâng cấp viên bi sử dụng trong vòng bi tiếp xúc bốn điểm SKF Explorer để nâng cấp chính xác làm việc, giảm độ sinh nhiệt, độ ồn và độ rung động của vòng bi. Viên bi cải tiến cũng góp phần giảm mức tiêu hao chất bôi trơn và tăng tuổi thọ làm việc của vòng bi.


