Lưu trữ danh mục: Tài liệu và catalogue
Tài liệu và catalogue
LỢI ÍCH ĐẶC BIỆT CỦA VÒNG BI KIM VÀ ỨNG DỤNG TRONG THỰC TẾ
Tài liệu kỹ thuật LỢI ÍCH ĐẶC BIỆT CỦA VÒNG BI KIM VÀ ỨNG DỤNG [...]
25
Th9
Th9
Dây curoa Optibelt răng – vật liệu cao su
Tài liệu kỹ thuật Dây curoa Optibelt răng – vật liệu cao su Dây curoa [...]
25
Th9
Th9
Ký hiệu Quốc tế trên Vòng bi (ĐẦY ĐỦ CHI TIẾT NHẤT)
Tài liệu kỹ thuật Ký hiệu Quốc tế trên Vòng bi (ĐẦY ĐỦ CHI TIẾT [...]
25
Th9
Th9
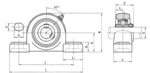
GỐI ĐỠ TRỤC LÀ GÌ? TẤT TẦN TẬT THÔNG TIN VỀ GỐI ĐỠ TRỤC
Tài liệu kỹ thuật GỐI ĐỠ TRỤC LÀ GÌ? TẤT TẦN TẬT THÔNG TIN VỀ [...]
25
Th9
Th9
Tìm hiểu vòng bi tang trống chính hãng và ứng dụng phổ biến của chúng
Tài liệu kỹ thuật, Tin tức Tìm hiểu vòng bi tang trống chính hãng và [...]
25
Th9
Th9
Catalogue các hãng vòng bi KOYO, SKF, NSK, NTN, TIMKEN, NACHI, ASAHI.
Tài liệu kỹ thuật Catalogue các hãng vòng bi KOYO, SKF, NSK, NTN, TIMKEN, NACHI, [...]
25
Th9
Th9
Thông số gối đỡ vòng bi (bạc đạn)
Tài liệu kỹ thuật Thông số gối đỡ vòng bi (bạc đạn) Để tra cứu [...]
25
Th9
Th9
Độ căng (độ chùng) dây curoa thế nào là đạt?
Tài liệu kỹ thuật Độ căng (độ chùng) dây curoa thế nào là đạt? Mục [...]
25
Th9
Th9
